
Truk Bak Besi LPG Pertamina Gas Isuzu NMR 150 PS
Dealer Isuzu Jakarta Bekasi menjual Truk Bak Besi LPG Pertamina Gas Isuzu NMR 150 PS Euro 4 standart Pertamina Merah dengan tambahan Pindah knalpot ke posisi depan serta Saklar pemutus arus Accu pada proses bongkar dan Muat Barang Gas LPG. Truk Isuzu NMR 150 PS memiliki Kapasitas angkut 8 Ton dapat memuat lebih banyak Tabung Gas LPG model Besar dan model Gas Melon.
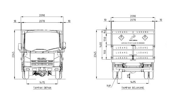
Spesifikasi dan Dimensi Bak Besi LPG Pertamina Isuzu NMR 6 ban
Truk Bak Besi LPG Pertamina Gas Isuzu NMR 150 PS dengan Chassis terbaru Euro 4 terbagi dalam berbagai variant dan memiliki dimensi Chassis berbeda , NMR standar , NMR L chassis Panjang , NMR HD dengan Gardan lebih kuat dan Tangguh, dapat di sesuaikan dengan kebutuhan dan lokasi anda berada.

Bak Besi LPG Pertamina dengan ukuran tipe chassis Isuzu NMR std P.430 x L.200 x T.150 CM dengan model pintu belakang Kupu kupu serta tambahan ekstension untk penutup sampai full atas bak menjadi muatan lebih banyak dan lebih effisien dalam segi Ritase mengiriman,
sedangkan untuk tipe Bak yang lebih Panjang dapat mengginakan variant Isuzu NMR L dengan ukuran Bak P.570 x L.200 x T.150 CM , spesifikasi Bak dengan Rangka Besi pipa serta dinding Plat besi dengan ketebalan 2 mm serta Lantai Bak dengan Plat Tebal 5mm dilapis dengan Karpet atau Karet serta juga bisa dengan tambahan Triplek tebal atau Multiplex.

Baca Juga :


SPESIFIKASI DAN DIMENSI ISUZU NMR HD 5,8
Truk Bak Besi LPG Pertamina Gas Isuzu NMR 150 PS untuk hasil lebih maksimal baiknya menggunakan tipe NMR HD 5,8 karena memiliki ketangguhan dalam Hal Transmisi dan Gardan yang lebih besar, mampu melewati medan jalan Tanjakan serta mudah dan cepat jika melibas jalan datar.
DIMENSI :
- Panjang / Overall Length [OAL] 6.135 mm
- Lebar / Overall Width [OW] 1.990 mm
- Tinggi / Overall Height [OH] 2.345 mm
- Jarak Sumbu / Wheelbase [WB] 3.360 mm
- Julur Depan / Front Overhang [FOH] 1.110 mm
- Julur Belakang / Rear Overhang [ROH] 1.665 mm
- Jarak Terendah ke Tanah / Minimum Clearance [HH] 200 mm
- Jejak Depan / Front Tread [AW] 1.475 mm
- Jejak Belakang / Rear Tread [CW 1.495 mm
- Cabin to End [CE] 4.530 mm
MESIN :
- Model 4HL1-TCS
- Tipe / Type Direct Injection Commonrail SOHC 4 Cylinder, VGS Turbo Intercooler
- Sistem Kontrol Emisi EURO4 with EGR & DOC
- Diameter x Langkah / Bore x Stroke 115 X 115 mm
- Isi Silinder / PistonDisplacement 4,778 CC
- Tenaga Maksimum / Maximum Power 150 / 2,600 PS/ RPM
- Torsi Maksimum /Maximum Torque 41 / 1,400 – 2,600 Kg.M/rpm
TRANSMISI :
- Mode MYY6S
- PerbandinganGigi / Gear Ratio 1ST 5.979
- 2ND 3.434
- 3RD 1.862
- 4TH 1.297
- 5th 1.000
- 6th 0.759
- REV 5.701
- PerbandinganGigi Terakhir / Final Gear Ratio 5.8
BERAT :
- Berat Kosong Kendaraan / Curb Weight 2.570 Kg
- BeratTotal Kendaraan /Gross VehicleWeight [GVW] 8.250 Kg
- Kapasitas Gardan Depan / Capacity Front Axle 2.710 Kg
- Kapasitas Gardan Belakang / Capacity Rear Axle 5.540 Kg
REM :
- Tipe/Type Hydraulic
- Rem Kaki / Service Brake Hydraulic, saluran ganda dengan vacum booster
- Rem Tangan / Hand Brake Expanding pada transmisi belakang
- Sistem Pengereman Gas Buang / Exhaust Brake Exhaust brake, tuas berada di stir
VELG dan BAN :
- Ukuran Ban 7.50-16-14PR
- Ukuran Velg 16 X 6.00
SUSPENSI :
- Depan / Front Semi eliptical laminated leaf spring dengan shock absorber berdaya ganda
- Belakang / Rear Semi eliptical laminated leaf spring dengan shock absorber berdaya ganda
LAIN LAIN :
- Kapasitas Tangki / Fuel Tank Capacity 100 Liter
- Radius Putar Minimum / Minimum Turning Radius 7,1 Meter
- Daya Tanjak Maksimum / Maximum Gradeability 44 %
- Kecepatan Maksimum / Maximum Speed 100 Km/Hour
- Aki / Accu 2 X 12 V – 65 Ah V-AH
- Alternator 24 – 60 V-A
- Kamera Mundur / Reverse Parking Camera ADA
- Audio Head Unit ADA
- USB Charging System ADA
- APAR (Alat Pemadam Api Ringan) ADA
- Fan Blower ADA
- Garansi / Warranty 3 Tahun / 100,000 km



